SHELLY Módulo Medidor de Consumo Monofásico WiFi + Núcleo 50A 2pcs

095-2321
8489 (IVA incluído)

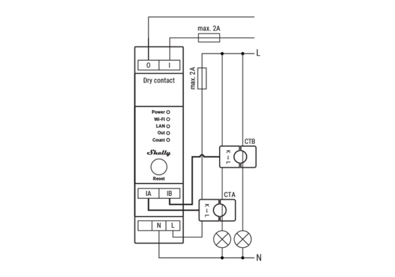
O SHELLY Módulo Medidor de Consumo Monofásico WiFi + Núcleo 50A 2pcs é um medidor de energia monofásico de dois canais, montável em calha DIN. Melhorado com toda a flexibilidade do firmware gen2 e conetividade LAN, ele fornece aos integradores profissionais, opções adicionais para soluções de clientes finais.

Pode funcionar de forma autónoma numa rede LAN e/ou Wi-Fi local, ou pode também ser utilizado através de serviços de domótica na nuvem através de MQTT, HTTP e WebSocket. É de notar que todas as ligações de entrada suportam TLS.
O SHELLY Módulo Medidor de Consumo Monofásico WiFi + Núcleo 50A 2pcs reporta a energia acumulada, bem como a tensão instantânea, a corrente, a potência ativa e aparente, por circuito e em tempo real. Ele armazena dados em memória não volátil, com intervalos de 1 minuto que podem ser recuperados por um período de até 60 dias.

CARACTERÍSTICAS:
◾ Medição de potência e energia em 2 circuitos (na mesma fase);
◾ Medição nos 4 quadrantes (consumida/gerada e reativa indutiva/capacitiva);
◾ Mostra valores por circuito e em tempo real;
◾ Valores de energia acumulada, tensão instantânea, corrente, potência ativa e aparente;
◾ Armazena dados em memória não volátil, resolução mínima de 1 minuto (até 60 dias);
◾ Classe de precisão B (IEC 62053-21)
◾ Preparado para sistemas de energia fotovoltaica
◾ Conectividade Wi-Fi, LAN e Bluetooth
◾ Utilização simultânea de Ethernet e Wi-Fi
◾ Montagem em calha DIN
◾ Relé incorporado com contacto seco de 2A
◾ Transportes de dados MQTT, HTTP, WebSocket
◾ Segurança TLS 1.2
◾ Suporte do protocolo Modbus TCP
◾ Interface Web de configuração e monitorização incorporada
◾ Relógio de tempo real

ESPECIFICAÇÕES TÉCNICAS
◾ Alimentação elétrica: 110-240V AC, 50/60 Hz
◾ Consumo de energia: < 3W
◾ Sensores/medidores
    - Voltímetros (RMS para cada circuito): 100-260 V
    - Precisão dos voltímetros: +1 >#br###    - Amperímetros (RMS via TI para cada circuito): 0-50 A
    - Precisão dos amperímetros: ±2% (0 - 5 A) / ±1% (5 - 50 A)
    - Medidores de potência e energia:
        · Potência ativa e aparente
        · Energia ativa e aparente
        · Fator de potência
    - Sensor de temperatura interna: Sim
◾ Armazenamento e exportação de dados de medição:
    - Armazenamento local de pelo menos 60 dias (se usar resolução de 1 minuto)
    - Exportação de dados: CSV para valores registados de PQ
    - Exportação de formato JSON através de RPC
◾ Contacto:
    - Livre de potencial (contacto seco): Sim
    - Corrente máx no contacto: 2A
    - Tensão máxima de comutação: 240 V AC
◾ Conectividade Wireless
    - Potência máxima de RF Wi-Fi: 15 dBm
    - Protocolo Wi-Fi: 802.11 b/g/n (2,4 GHz)
    - Frequência: 2400 - 2495 MHz
    - Alcance operacional Wi-Fi (dependendo das condições locais):
        · até 50 m no exterior
        · até 30 m em espaços interiores
    - Protocolo Bluetooth: 4.2
    - Alcance Bluetooth (dependendo das condições locais):
        · Até 10 m em ambientes internos
        · Até 30 m em ambientes externos
◾ Sistema e Capacidades de firmware
    - CPU: ESP32-D0WDQ6
    - Flash: 16 MB
    - Webhooks (ações de URL): 20 com 5 URLs por gancho
    - Script: Sim
    - MQTT: Sim
    - CoAP: Não
◾ Montagem: em calha DIN
◾ Em conformidade com as normas da UE:
    - RED 2014/53/EU
    - LVD2014/35/EU
    - EMC2014/30/EU
    - RoHS2 2011/65/UE
◾ Temperatura de funcionamento: -20°C a 40°C
◾ Material do invólucro: Plástico
◾ Cor: Branco
◾ Dimensões (AxLxP): 94x19x69 mm

NOTAS:
◾ Este dispositivo não permite medir dois circuitos em fases distintas, têm de estar na mesma fase.
◾ O Shelly Pro EM-50 é vendido juntamente com 2 Transformadores de Intensidade (TI) de 50A, com núcleo aberto e ficha de ligação.

Conteúdo na Caixa:
1x SHELLY Módulo Medidor de Consumo Monofásico WiFi + Núcleo 50A 2pcs

Marca
SHELLY
Find similar
Entrega garantida em 24 horas

Fazemos entregas em todo o País

Serviços e produtos com garantia

Tenha a certeza que está salvaguardado com a sua compra

Trocas e devoluções garantidas

Se o que comprou não é na verdade o que procura, tem 14 dias para trocar ou devolver, conforme os nossos termos e condições